This instruction show you guide on how to remove and install starter for New Holland LW 130.B Wheel Loader.
Related Contents:
Removal
NOTE: The starter is located on the left side of the engine, mounted on the engine flywheel housing.
STEP 1
Put master disconnect switch in OFF position.
STEP 2
Remove air cleaner and air cleaner bracket.
STEP 3
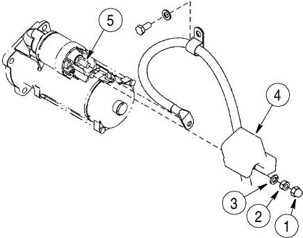
Remove acorn nut (1), nut (2), and washer (3) securing cover (4) to starter. Remove cover.
STEP 4
Remove nut and washer securing cables to starter B+ stud (5). Identify, tag, and disconnect the two cables from B+ stud.
STEP 5
Identify and tag rear chassis harness wire (6) connected to starter solenoid terminal. Disconnect wire from terminal.
STEP 6
Support starter and remove bolts and washers securing starter to engine. Remove starter.
Installation
STEP 7
Position and support starter on engine. Install washers and bolts to secure starter. Tighten bolts to a torque of 44 to 54 Nm (32 to 40 lb-ft).
STEP 8
Connect rear chassis harness wire (6) to starter solenoid terminal following tag installed during removal. Remove and discard tag.
STEP 9
Connect two cables to starter B+ stud (5) following tags installed during removal. Install nut and washer to secure cable terminals to B+ stud. Remove and discard tags from cables.
STEP 10
Put cover (4) on starter. Install washer (3), nut (2),and acorn nut (1) to secure cover.
STEP 11
Install air cleaner bracket and air cleaner.
STEP 12
Put master disconnect switch in ON position.
